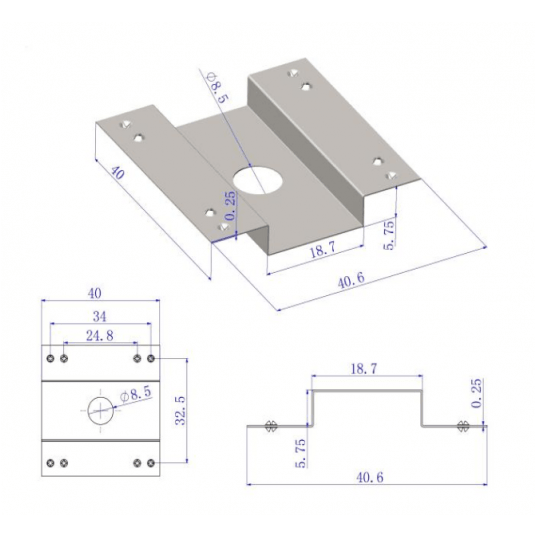
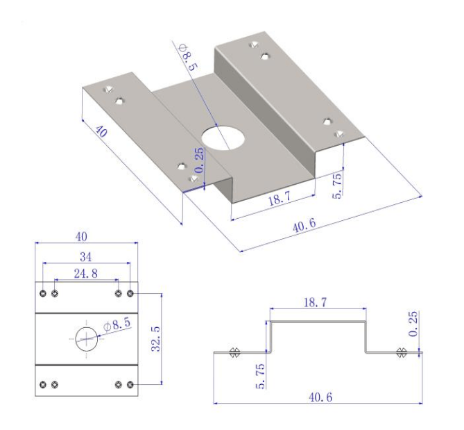
Co to jest podkładka uziemiająca do paneli fotowoltaicznych?
Podkładka uziemiająca do paneli fotowoltaicznych to niezbędny element instalacji fotowoltaicznej, który zapewnia bezpieczeństwo pracy i ochronę przed wyładowaniami elektrostatycznymi. Jest to płytka wykonana z przewodzącego materiału, która jest montowana pod panelem fotowoltaicznym i połączona z uziemieniem. Dzięki temu podkładka uziemiająca zapobiega nagromadzeniu ładunków elektrostatycznych i minimalizuje ryzyko porażenia prądem, pożaru lub uszkodzenia urządzeń.
Dlaczego warto wykorzystać podkładkę uziemiającą do paneli fotowoltaicznych?
Podkładka uziemiającado paneli fotowoltaicznych to produkt, który zwiększa bezpieczeństwo i skuteczność instalacji fotowoltaicznej. Jest to szczególnie ważne w przypadku dużych instalacji, gdzie nagromadzenie ładunków elektrostatycznych może prowadzić do poważnych zagrożeń. Ponadto, zastosowanie podkładek uziemiających pozwala na uniknięcie problemów związanych z eksploatacją instalacji, takich jak spadki wydajności czy uszkodzenia paneli fotowoltaicznych.
Jak działa podkładka uziemiająca do paneli fotowoltaicznych?
Podkładka uziemiająca do paneli fotowoltaicznych działa poprzez połączenie panelu fotowoltaicznego z uziemieniem. Dzięki temu ładunki elektrostatyczne, które powstają podczas pracy paneli fotowoltaicznych, są odprowadzane do ziemi, minimalizując ryzyko porażenia prądem lub uszkodzenia urządzeń. Podkładki uziemiające są niezbędnym elementem każdej instalacji fotowoltaicznej i powinny być stosowane zgodnie z zaleceniami producenta.
Jakie są korzyści zastosowania podkładki uziemiającej do paneli fotowoltaicznych?
Zastosowanie podkładki uziemiającej do paneli fotowoltaicznych przede wszystkim zwiększa bezpieczeństwo pracy i minimalizuje ryzyko porażenia prądem, pożaru lub uszkodzenia urządzeń. Ponadto, podkładki uziemiające pozwalają na uniknięcie problemów związanych z nagromadzeniem ładunków elektrostatycznych, które mogą prowadzić do spadków wydajności instalacji lub uszkodzenia paneli fotowoltaicznych. W konsekwencji zastosowanie podkładki uziemiającej do paneli fotowoltaicznych wpływa pozytywnie na wydajność i trwałość instalacji, a także na bezpieczeństwo jej użytkowników.
Jakie cechy powinna posiadać dobra podkładka uziemiająca do paneli fotowoltaicznych?
Dobra podkładka uziemiająca do paneli fotowoltaicznych powinna być wykonana z wysokiej jakości przewodzącego materiału, aby zapewnić skuteczne uziemienie paneli fotowoltaicznych. Powinna również spełniać normy bezpieczeństwa i być zgodna z wymaganiami producenta paneli fotowoltaicznych. Ważne jest również, aby podkładka uziemiająca była łatwa w montażu i odporna na warunki atmosferyczne oraz czynniki chemiczne.
Jak zamontować podkładkę uziemiającą do paneli fotowoltaicznych?
Zazwyczaj podkładka uziemiająca jest umieszczana pod panelem fotowoltaicznym, a następnie połączona z uziemieniem. Montaż powinien być przeprowadzony przez specjalistę z odpowiednim doświadczeniem w instalacjach fotowoltaicznych.
Gdzie można kupić podkładki uziemiające do paneli fotowoltaicznych?
Podkładki uziemiające do paneli fotowoltaicznych można kupić w naszym sklepie internetowym LOOB. Ważne jest wybranie produktu o wysokiej jakości i zgodnego z normami bezpieczeństwa, aby zapewnić skuteczne uziemienie paneli fotowoltaicznych.
Niezbędny element każdej instalacji fotowoltaicznej
Podkładka uziemiająca do paneli fotowoltaicznych to niezbędny element każdej instalacji fotowoltaicznej, który zapewnia bezpieczeństwo pracy i minimalizuje ryzyko porażenia prądem, pożaru lub uszkodzenia urządzeń. Dobra podkładka uziemiająca powinna być wykonana z wysokiej jakości przewodzącego materiału, spełniać normy bezpieczeństwa oraz być łatwa w montażu i odporna na warunki atmosferyczne oraz czynniki chemiczne. Montaż podkładki uziemiającej powinien być przeprowadzony przez specjalistę z odpowiednim doświadczeniem w instalacjach fotowoltaicznych.
Strona korzysta z plików cookie w celu realizacji usług zgodnie z Polityką prywatności. Możesz określić warunki przechowywania lub dostępu do cookie w Twojej przeglądarce.